下载app免费领取会员
打开REVIT,打开菜单:新建→族,新建以“公制常规模型”为样板一个族文件,进入族编辑器。

我们目的是创建参数化的“风口族”,我们需要至少风口长度和风口宽度两个参数,可根据项目需要由用户临时设置,还需要该风口能自动附着到风骨上,并且根据风管大小自动变换连接部件的大小。现给族添加两个控制风口大小的参数:风口宽度和风口大小。打开族类型对话框,在“参数”栏下选择“添加”,在参数类型对话框中输入”名称:风口长度“,其它项默认。同样的方法创建“风口宽度”参数。

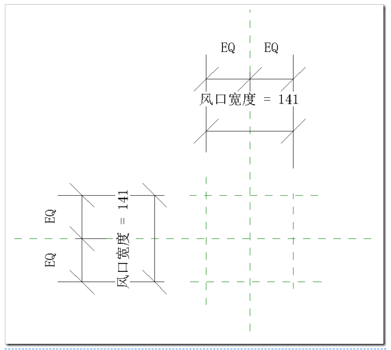
因为要创建侧送风风口,因此打开“前”立面视图,默认此视图中显示参照标高,可将其隐藏,防止误操作,并选中水平参面,将其锁定。默认有两个垂直的参照平面,在分别在这两个参照平面左右上下添加一个参照平面。并对其进行标注,注意用EQ命令将其它们以中心参照面平分。

1、将上下两个长度标注指定给“风口长度”和“风口宽度”两个参数。

用此四个参照面围城的矩形创建一个拉伸,边框厚度暂定为10mm,注意将外边锁定在对应的参照面上,确定风口的基本外形。平面视图,前立面视图和三维视图分别如下。

能够自动插入到风管的只有“风管管件”的族类型,因此,为了将风口能够自动插入到风管中,需修改默认的族类型。族编辑器中默认打开“默认标高”平面视图(也是默认的工作平面),因为需要创建“风口末端”类型的族文件,因此需要修改族类型。打开族类别和族参数对话框,可以看到当前默认的族类别为“常规模型”,因为样板文件我们选择的是公制常规模型,将其类别改为“风管附件”。并将部件类型给为“插入”。

现在来创建一个风口和风管的连接部件。在平面视图中再添加两个参照平面。并添加一个风管宽度的实例参数,为了跟风口宽度和风口高度两参数有所区别,将其分组方式设置为“构造”。并将刚才创建的拉伸的一边锁定在下最下边参照面上。


同样在前里面视图中添加两个参照面,并添加风管高度实例参数。

风口添加一个厚度数量,控制风口伸出风口的长度。

在左里面视图中创建一个拉伸,并将边框锁定在对应的平面上。给刚创建的拉伸添加风管连接件。将风管高度和风管宽度与风管连接件相关联。

载入到项目中进行测试。

使用自适应阵列给风口添加栅格,并添加材质参数,方便在项目中控制其外观,最终的族如下所示。

Revit中文网作为国内知名BIM软件培训交流平台,几十万Revit软件爱好者和你一起学习Revit,不仅仅为广大用户提供相关BIM软件下载与相关行业资讯,同时也有部分网络培训与在线培训,欢迎广大用户咨询。
网校包含各类BIM课程320余套,各类学习资源270余种,是目前国内BIM类网校中课程最有深度、涵盖性最广、资源最为齐全的网校。网校课程包含Revit、Dynamo、Lumion、Navisworks、Civil 3D等几十种BIM相关软件的教学课程,专业涵盖土建、机电、装饰、市政、后期、开发等多个领域。
需要更多BIM考试教程或BIM视频教程,可以咨询客服获得更多免费Revit教学视频。
本文版权归腿腿教学网及原创作者所有,未经授权,谢绝转载。
上一篇:Revit技巧 | revit风管如何批量底对齐?Revit对齐的三种方式
下一篇:Revit技巧 | revit尺寸怎么标注?REVIT对齐尺寸标注及尺寸标注属性
推荐专题