下载app免费领取会员
根据高程点文件,生成地形曲面。



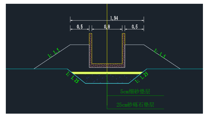
横断面的创建是本项目最难的部分,从图纸中提供的横断面中,我们可以看到开挖线、填筑层、渠道、还有回填线。





运行公路出图中的“土石方数量表”功能,分别计算出开挖工程量和回填工程量。
需要注意的是,砂砾石垫层和细砂垫层的工程量需要手动从回填工程量中扣除。
至此,渠道的开挖工程量和回填工程量就计算完成了。
总结:
水渠的开挖回填工程量计算,难点在于横断面部件的制作,不仅需要用户熟悉部件编辑器的功能,还需要用户理清计算开挖和回填的逻辑,才能制作出符合要求的部件。
本文版权归腿腿教学网及原创作者所有,未经授权,谢绝转载。
上一篇:山西积极推广BIM技术全过程应用,加快推进重点水利工程建设
下一篇:Civil3d 教程 | Civil3D超高加宽设计
推荐专题